Availability : Usually Ships in 5 Business Days
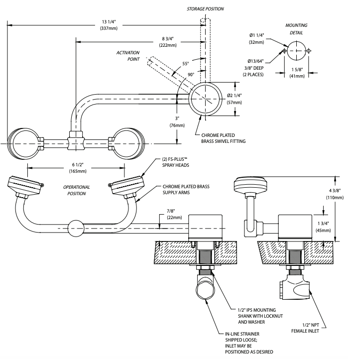
APPLICATION: AutoFlow eye/face wash for mounting on counter next to sink. Swinging the spray head assembly 90 degrees horizontally out over sink activates the water flow. The unit remains in operation until the spray head assembly is swung back into the storage position, closing the valve.
SPRAY HEAD ASSEMBLY: Two FS-Plus spray heads. Each head has a "flip top" dust cover, internal flow control and filter to remove impurities from the water flow.
VALVE: 1/2" IPS plug-type valve with Teflon coated O-ring seals. Swinging head assembly from storage to operational position opens orifice and activates water flow. Unit remains in operation until head assembly is returned to storage position.
STRAINER: Unit is furnished with in-line strainer to protect valve and spray heads from debris in water line.
MOUNTING: Unit is mounted on left side of sink. Furnished with mounting shank, positioning lugs, locknut and washer for securing unit to counter.
CONSTRUCTION: Polished chrome plated brass.
SUPPLY: 1/2" NPT female inlet.
SIGN: ANSI-compliant identification sign.
QUALITY ASSURANCE: Unit is completely assembled and water tested prior to shipment.
| Item | Deck Mounted Eyewash |
| Sprayhead | Eye/Facewash |
| Mounting | Counter Mount |
| Operation | Swing Activation |
| Fitting Size | 1/2" NPT Female |
| Head Dia. | 2-1/4" |
| Width | 14-3/8" |
| Depth | 6-1/2" |
| Height | 7-7/8" |
| ANSI Compliant | Yes |
| Number of Heads | 2 |
WARNING:Â California Residents
This product and/or packaging can expose you to chemicals including Styrene, which is known to the State of California to cause cancer and birth defects or other reproductive harm. For more information go to www.P65Warnings.ca.gov.




